Строительная компания Green gardens
+7 (905) 222 55 11
Время работы:
Пн-Пт 10-18
Главная страница
Проекты домов
Проект кирпичного дома с бассейном
к каталогу проектов
Дом D1447 Проект кирпичного дома с бассейном
D1447
839 м²
Стоимость проекта
73 000 ₽
В стоимость входит
Комплект архитектурно-строительных чертежей (АС)
Посмотреть дополнительные опции
Купить проект
Стоимость строительства
~23 300 000 ₽
Посмотреть подробные комплектации
Вопрос по строительству
О проекте
Состав проекта
Планы помещений
План цокольного этажа
План 1 этажа
План 2 этажа
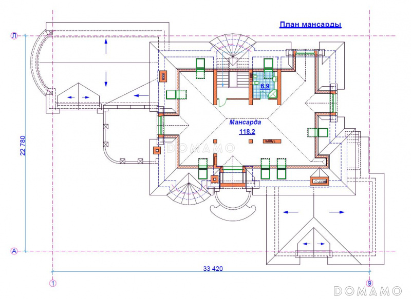
План мансардного этажа
Фасады
Технические характеристики
Общие
Материал стен
Кирпич
Общая площадь
839 м²
Жилая площадь
194 м²
Площадь застройки
556.3 м²
Количество жилых комнат/спален
9
Этажи
2 этажа + мансарда
Гараж
Пристроенный гараж
Количество машин
2
Подвал / цокольный этаж
Без окон
Ширина дома
22.7 м
Длина дома
33.4 м
Кровля
Металлочерепица
Облицовка внешних стен
Мокрая штукатурка
Толщина несущих наружных стен
640 мм
Межэтажные перекрытия
Монолитные
Внутренние не несущие перегородки
Каркасно-обшивные
,
Кирпичные
Фундамент
Ленточный монолитный
Терраса
Терраса открытая
,
Терраса крытая
Стиль
Классический
Дополнительные
Второй свет
Есть
Мансардные окна
Есть
Камин
Есть
Сауна/баня внутри
Есть
Бассейн
Есть
Площадь гостиной
45.4 м²
Площадь кухни
25.1 м²
Количество санузлов
7
Окно в ванной комнате
Есть
Котельная
Есть
Кабинет
Есть
Постирочная
Есть
Хозяйская гардеробная
Есть
Кладовая
12
Балкон / лоджия
Балкон
Входит в стоимость
Цена, руб.
Сроки, дней
Комплект архитектурно-строительных чертежей (АС)
Входит в стоимость
Готов к отправке
к каталогу проектов
Проекты предоставлены порталом
Domamo.ru